IT之家 9 月 30 日消息,科技媒体 PCMag 昨日(9 月 29 日)发布博文,报道称美国联邦通信委员会(FCC)疑似意外泄露了苹果公司一款名为“iPhone 16e”的机密设计原理图,这份长达 163 页的文件详细描述了该设备的芯片信息,包括 CPU 和 GPU 配置。
该文件由网友 UpsetKoalaBear 率先发现,在美国监管机构的备案信息中出现了一份本应保密的文件。该文件通过追踪 FCC 设备授权备案的第三方网站 FCC.io 被索引,从而进入了公众视野。
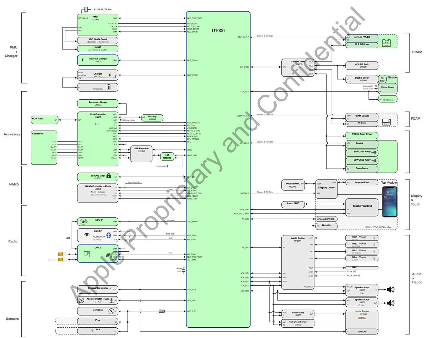
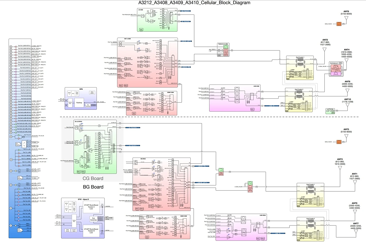
此次泄露的文件长达 163 页,几乎每一页都明确标注有“苹果专有与机密”字样。文件内容极为技术化,涵盖了 iPhone 16e 内部芯片的设计细节,包括中央处理器(CPU)和图形处理器(GPU)的具体配置,以及其他多种组件的布局。IT之家附上相关截图如下:




通常情况下,FCC 会对这类包含商业秘密的专有信息进行编辑处理或不予公布,但这次似乎是个例外,导致了敏感信息的直接曝光。
根据同期披露的苹果致函 FCC 的附函内容,苹果曾明确请求 FCC 将“电气原理图设计”等文件设置为永久不公开。苹果在信中强调:“这些文件揭示了受苹果公司保护的详细技术与设计信息,属于机密和专有商业秘密。”
公司进一步指出,一旦委员会披露这些信息,会让竞争对手获得不公平的优势,即便在该设备正式发布后,这种损害依然存在。
截至目前,苹果公司和 FCC 官方均未就此事发表任何评论。不过,种种迹象表明监管机构可能已经采取了补救措施。当前在 FCC 的官方设备授权网站上,已无法检索到这份 163 页的原理图文件,这暗示 FCC 可能在发现问题后紧急将其下线。

广告声明:文内含有的对外跳转链接(包括不限于超链接、二维码、口令等形式),用于传递更多信息,节省甄选时间,结果仅供参考,IT之家所有文章均包含本声明。
